EN
中文
首页
首页
关于我们
公司简介
企业文化
资质荣誉
公司环境
关于我们
公司简介
企业文化
资质荣誉
公司环境
产品中心
电瓶夹
鳄鱼夹
微动开关
钮子开关
电动工具开关
船型开关
行程开关
脚踏开关系列
产品中心
电瓶夹
鳄鱼夹
微动开关
钮子开关
电动工具开关
船型开关
行程开关
脚踏开关系列
下载中心
下载中心
应用领域
应用领域
新闻中心
新闻中心
联系我们
联系我们
EN
中文
产品展示
当前位置:
首页
产品中心
微动开关
HJ8系列
电瓶夹
鳄鱼夹
微动开关
钮子开关
电动工具开关
船型开关
行程开关
脚踏开关系列
主令开关系列
COB系列
按钮开关
保险丝座
电源插座
弹簧接线插座
接线柱
电焊机分头开关
组合开关
HJ11系列
HJ12系列
HJ7系列
HJ8系列
HJ9系列
HJ10系列
DW11系列
ZZ系列
微动开关系列
拨动开关
交流调速开关
手电钻开关
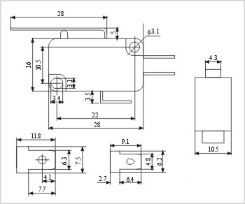
HJ8-1
产品详情
返回
上一个:HJ8-0
下一个:HJ8-2
相关产品
DS612S 单极3P ON-ON
HJ7-0
A16-22AY ON-(ON) 3A250VAC
KW11-1(弯)
微信
咨询
微信二维码
电话
咨询
0577-62757933
客服热线